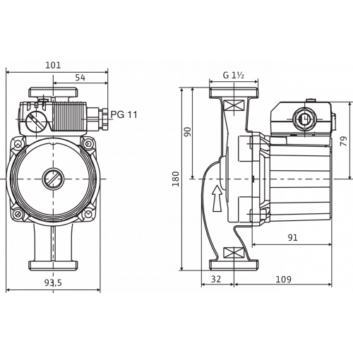
Циркуляционный насос с мокрым ротором для установки в трубах с ручной трехступенчатой регулировкой частоты вращения.
С устойчивым к токам блокировки электродвигателем. Корпус насоса из серого чугуна (в зависимости от типа может применяться бронза), рабочее колесо из упрочненного стекловолокном синтетического материала, вал из нержавеющей стали с угольными подшипниками скольжения с металлической пропиткой. Серийное применение в системах холодной воды с температурой до -10° C.
Надежность в эксплуатации благодаря перфорированному валу и фильтрующему устройству перед картриджем.
Тип
Циркуляционный насос с мокрым ротором и резьбовым соединением. Предварительно задаваемые ступени частоты вращения для регулировки мощности
Применение
Системы отопления, промышленные циркуляционные системы, системы подачи холодной воды и системы кондиционирования.
Обозначение
| Пример: | Wilo-Star-RS 25/6 |
| Star-RS | Стандартный насос (насос с резьбовым соединением) |
| 25 | Номинальный внутренний диаметр Rp |
| 6 | Номинальный напор [м] при подаче Q = 0 м³ /ч |
Особенности/преимущества продукции
- Подходит для монтажа в любом положении с горизонтальным валом клеммная коробка в положении 3-6-9-12 часов
- Три предварительно выбираемые ступени частоты вращения для адаптации нагрузки
- Простой и надежный монтаж благодаря практичным отливам под ключ на корпусе насосов
- Упрощенный электромонтаж благодаря съемному кабельному вводу клеммной коробки с возможностью двухстороннего подключения быстрое подключение при помощи пружинных клемм
Технические характеристики
- Допустимый диапазон температур от -10° C до +110° C
- Подключение к сети 1~230 В, 50 Гц
- Вид защиты IP 44
- Резьбовое соединение Rp 1/2, Rp 1 или Rp 1 1/4
- Макс. рабочее давление 10 бар
Оснащение/функции
Режимы работы
- Переключение ступеней частоты вращения
Ручное управление
- Настройка ступеней частоты вращения (3 ступени)
Оснащение
- Отлив под ключ на корпусе насоса
- Возможность двустороннего подвода кабеля
- Быстрое подключение при помощи пружинных клемм
- Устойчивый к токам блокировки электродвигатель
Материалы
- Корпус насоса: Серый чугун
- Рабочее колесо: Синтетический материал
- Вал: Нержавеющая сталь
- Подшипники: металлографит
Комплект поставки
- Насос
- Уплотнения
- Инструкция по монтажу и эксплуатации
Оплата на сайте fastrust.ru
Пользователи на сайте fastrust.ru могут оплачивать свои покупки с использованием платежной системы ЮКасса, которая предоставляет широкий выбор способов оплаты.
Поддерживаемые способы оплаты
- Банковские карты: Пользователи могут оплатить заказы на сайте fastrust.ru с помощью основных платежных карт, таких как Visa, MasterCard, Maestro, American Express и других. Платеж с карты осуществляется через защищенное соединение и позволяет быстро и безопасно завершить транзакцию.
- Электронные кошельки: ЮКасса также поддерживает оплату с использованием различных электронных кошельков, включая WebMoney, Яндекс.Деньги, Qiwi Wallet, PayPal и другие. Пользователи могут выбрать удобный для них способ оплаты и произвести транзакцию.
- Мобильные платежи: Для удобства пользователей, имеющих мобильные платежные приложения, ЮКасса предоставляет возможность оплаты через такие сервисы, как Apple Pay, Google Pay, Samsung Pay и другие. Это позволяет совершать покупки с использованием мобильных устройств без необходимости вводить данные платежных карт.
- Интернет-банкинг: Многие пользователи предпочитают использовать интернет-банкинг для оплаты своих покупок. ЮКасса поддерживает оплату через различные банки, включая Сбербанк Онлайн, Альфа-Клик, Промсвязьбанк, Тинькофф Банк и другие.
Доставка на сайте fastrust.ru
На сайте fastrust.ru вы можете выбрать доставку через службы CDEK и Boxberry, которые осуществляют доставку заказов по всей России.
CDEK
Служба доставки CDEK предлагает несколько вариантов доставки:
- Курьерская доставка до двери: Ваш заказ будет доставлен прямо до указанного вами адреса. Курьер свяжется с вами для согласования времени доставки и передаст вам заказ.
- Пункты выдачи: CDEK имеет широкую сеть пунктов выдачи по всей России. Вы можете выбрать удобный для вас пункт самовывоза из списка доступных вариантов на сайте fastrust.ru. После прибытия товара в выбранный пункт, вы получите уведомление о готовности к выдаче.
- Почтоматы: CDEK также предоставляет возможность доставки через почтоматы. Вы сможете выбрать ближайший почтомат из списка доступных на сайте и получить свой заказ в удобное для вас время.
Boxberry
Служба доставки Boxberry также предлагает несколько вариантов доставки:
- Курьерская доставка до двери: Ваш заказ будет доставлен прямо до указанного вами адреса. Курьер свяжется с вами для согласования времени доставки.
- Пункты выдачи: Boxberry имеет обширную сеть пунктов выдачи по всей России. Вы можете выбрать удобный для вас пункт самовывоза из списка доступных вариантов на сайте fastrust.ru. После прибытия товара в выбранный пункт, вы получите уведомление о готовности к выдаче.
Обе службы доставки — CDEK и Boxberry — предлагают гибкость и удобство выбора способа доставки, чтобы соответствовать вашим потребностям и предпочтениям. Вы сможете выбрать наиболее удобный вариант доставки на странице оформления заказа на сайте fastrust.ru.
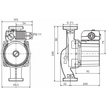
Циркуляционный насос с мокрым ротором для установки в трубах с ручной трехступенчатой регулировкой частоты вращения.
С устойчивым к токам блокировки электродвигателем. Корпус насоса из серого чугуна (в зависимости от типа может применяться бронза), рабочее колесо из упрочненного стекловолокном синтетического материала, вал из нержавеющей стали с угольными подшипниками скольжения с металлической пропиткой. Серийное применение в системах холодной воды с температурой до -10° C.
Надежность в эксплуатации благодаря перфорированному валу и фильтрующему устройству перед картриджем.
Тип
Циркуляционный насос с мокрым ротором и резьбовым соединением. Предварительно задаваемые ступени частоты вращения для регулировки мощности
Применение
Системы отопления, промышленные циркуляционные системы, системы подачи холодной воды и системы кондиционирования.
Обозначение
| Пример: | Wilo-Star-RS 25/6 |
| Star-RS | Стандартный насос (насос с резьбовым соединением) |
| 25 | Номинальный внутренний диаметр Rp |
| 6 | Номинальный напор [м] при подаче Q = 0 м³ /ч |
Особенности/преимущества продукции
- Подходит для монтажа в любом положении с горизонтальным валом клеммная коробка в положении 3-6-9-12 часов
- Три предварительно выбираемые ступени частоты вращения для адаптации нагрузки
- Простой и надежный монтаж благодаря практичным отливам под ключ на корпусе насосов
- Упрощенный электромонтаж благодаря съемному кабельному вводу клеммной коробки с возможностью двухстороннего подключения быстрое подключение при помощи пружинных клемм
Технические характеристики
- Допустимый диапазон температур от -10° C до +110° C
- Подключение к сети 1~230 В, 50 Гц
- Вид защиты IP 44
- Резьбовое соединение Rp 1/2, Rp 1 или Rp 1 1/4
- Макс. рабочее давление 10 бар
Оснащение/функции
Режимы работы
- Переключение ступеней частоты вращения
Ручное управление
- Настройка ступеней частоты вращения (3 ступени)
Оснащение
- Отлив под ключ на корпусе насоса
- Возможность двустороннего подвода кабеля
- Быстрое подключение при помощи пружинных клемм
- Устойчивый к токам блокировки электродвигатель
Материалы
- Корпус насоса: Серый чугун
- Рабочее колесо: Синтетический материал
- Вал: Нержавеющая сталь
- Подшипники: металлографит
Комплект поставки
- Насос
- Уплотнения
- Инструкция по монтажу и эксплуатации